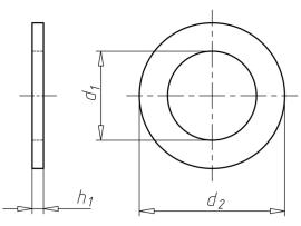
Podloška - colna

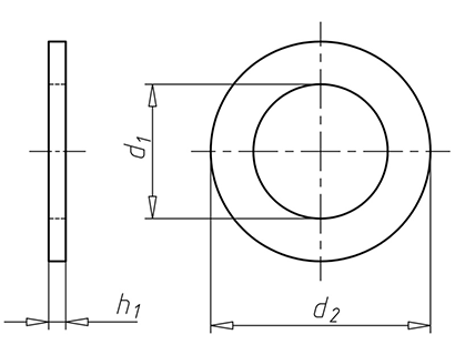
Podloška - colna

Filter prikaza